金彩實業集團 旗下網站
移動服務
金彩集團觸屏版 掌中金彩
金彩集團公眾號 掃碼關注公眾號
勞道APP 掌上智慧農業
走進金彩 金彩實業,與您共創精彩未來!
內蒙古金彩實業集團有限公司是具有行業影響力、專注于資源科技領域創新突破的實業集團,金彩全球戰略正在全面崛起。
優秀的運營團隊、清晰的組織架構、標準化的管理制度,是金彩立于不敗的制勝法寶。
金彩,一個高速成長的企業,一個年輕而朝氣蓬勃的企業,一個懷有偉大事業夢想而熠熠生輝的企業。
產業布局 資源牽引、科技驅動,金彩全球戰略正在崛起...
致力于打造國際領先的集資源整合、勘察、開采、產品研發及產業化為一體的全產業鏈礦產企業。
新能源、新材料應用和環保領域新星,2016年投資數億合作開發風力發電及供熱項目。
依托強大的資源優勢,甄選影響社會發展巨大需求的產業進行投資布局,持續為股東創造價值
打造具有全國影響力的產業整合與金融投資平臺
建成完善的社會信用服務體系
新聞關注 了解金彩實業最新動態
科技創新 科技是第一生產力,創新是企業發展的靈魂
集團公司高度重視科技創新,研發投入及時、到位,加上研發人才作保障,科技創新不斷取得新成績。
公司近期開展的專業技術研究:低成本寡層石墨烯規模化制備;高容量碳硅復合負極材料;石墨烯導電劑;新型儲能電池
立足優勢資源,全力構建科技創新平臺
黨建活動
黨支部自成立以來,不斷加強黨的思想、組織、作風和制度建設,增強凝聚力和戰斗力,加強思想政治和精神文明建設,為提高企業工作效率和質量提供了堅強的組織保證。
集團公司自成立以來,各級領導多次親臨公司指導工作,均對公司快速、穩健的發展給予了高度評價和殷切期望,領導的殷切關懷和期望激勵著公司不斷向前,追求更高目標。
大力宣傳心系群眾、服務人民的黨員干部先進典型,充分發揮先鋒模范作用,團結帶領廣大群眾前進,不斷為改革開放和社會主義現代化建設做出貢獻。
企業文化 進取是發展的動力,創新是發展的根本;銳意進取,開拓創新,是金彩實業集團發展的靈魂。
核心理念:至誠、至善、做好人、做益事;企業精神:使命、奉獻、成長、卓越;文化理念:忠誠、敬業、和諧、快樂
豐富員工文娛生活,增進員工溝通交流,調動員工工作積極性,緩解工作壓力,實現勞逸結合,增強團隊凝聚力。
貫徹執行公司以人為本的精神理念,體現公司對員工的人性化管理和關懷,提升員工的歸屬感和幸福感,使員工保持良好的工作心態,與公司共同成長和發展
金彩集團始終秉承"源于社會 回報社會"的企業社會責任理念,積極參與公益事業,將企業的理念延伸至扶貧、教育、環境保護等領域。
人力資源 以人為本,精益求精,鑄造一流精品團隊
公司是船,人才是帆,加入金彩,攜手金彩共創輝煌!
期待各類人才的加盟,您可以根據自己的實際情況,選擇職位。
縮放顯示
您可以根據當前顯示調整頁面縮放比例
放大 按住 ,同時按鍵盤或小鍵盤上的 ,放大視圖顯示。
縮小 按住 ,同時按鍵盤或小鍵盤上的 ,縮小視圖顯示。
跨界創新—石墨烯聯盟與腫瘤微創聯盟攜手開創“石墨烯+醫藥健康”產業新紀元
李義春秘書長在主題報告中指出,石墨烯具有優異的光、電、熱及力學特性,在健康和藥物傳遞領域應用潛力巨大。研究表明,石墨烯材料發射的遠紅外光波和人體光波非常接近,具有較強的理療功能,同時石墨烯發熱技術還具...
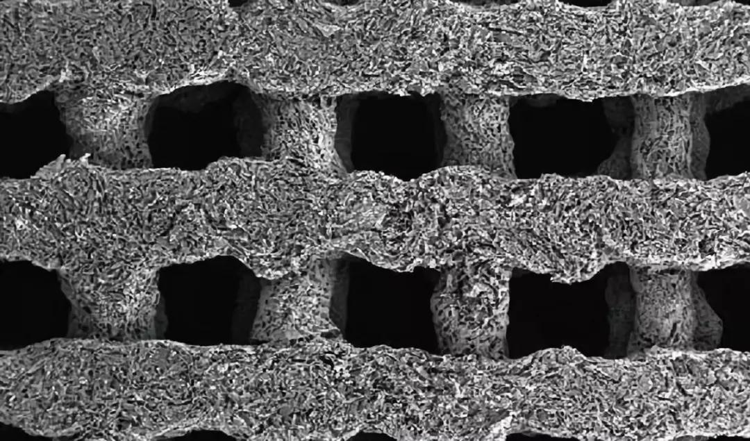
3D打印石墨烯支架提供史上最高電容量!
加州大學圣克魯茲校區和勞倫斯利弗莫爾國家實驗室的研究人員發明了全新的電容器制造技術。研究人員運用可打印的石墨烯凝膠制作了電極,構建多孔的3D支架,上面裝載了偽電容凝膠。該凝膠作為電容材料,在某些方面與電...
研究人員3D打印石墨烯氣凝膠 制成超級電容器電極
據外媒報道,研究人員正在使用3D打印,為超級電容器開發具有每單位表面積電荷存儲最高的電極。加利福尼亞州大學圣克魯茲分校(UniversityofCaliforniaSantaCruz)和美國能源部勞倫斯利弗莫爾國家實驗室(U.S.Departm...
顛覆丨鋰電新突破:碳納米管薄膜包覆陽極 電量提升3~5倍
好消息是,萊斯大學的科學家們,已經找到了一種讓當前廣泛使用的鋰離子電池容量成倍提升的好方法。這項電池技術的突破,集中在一種穿上碳納米薄膜的新型陽極材料上。此前,有實驗室借助過凱夫拉纖維來限制晶枝的生長...
Nature子刊:中國科大開發富勒烯的新應用
少層黑磷作為一種新型二維材料,具有帶隙隨層數可調、載流子遷移率高的特點,在能量轉換和存儲、催化、生物醫藥等領域有著重要的應用前景。然而,少層黑磷納米片很容易被氧化降解,其在空氣及水環境中穩定性差的問題...
新材料石墨烯將改進腦癌治療方案
石墨烯為腦癌患者造福曼徹斯特大學健康科學學院的蜂窩生物技術研究團隊創始人帶領研發團隊,運用石墨烯電極特性,成功開發了新型的腦癌手術植入裝置,為多形性膠質母細胞瘤提供了更有效的精準治療方案。曼大健康科學...
石墨烯防腐涂料將用于高鐵零部件!歐洲石墨烯成果將在上海落地
第二屆中瑞(國際)石墨烯創新高峰論壇近日在上海大學舉行,中瑞石墨烯創新中心在論壇上揭牌。創新中心由上海石墨烯產業技術功能型平臺、上海大學和瑞典查爾姆斯理工大學三方簽約成立,將提升上海石墨烯技術創新和成...
《Nature Reviews Materials》封面:石墨烯有望成為下一代光通信的解決方案!
近日消息,GrapheneFlagship項目中的研究人員工作成果表明基于石墨烯的集成光子器件為下一代光通信提供了獨特的解決方案。研究人員已經證明石墨烯可以實現超寬帶通信以及低功耗,從根本上改變數據在光通信系統中的傳...
《自然》雜志:石墨烯再秀潛能,未來電子器件速度可提升千倍!
新實驗表明,作為單層碳原子結構的石墨烯可以將千兆赫頻率的電子信號轉換為更高頻率的太赫茲信號。也就是說,我們每秒鐘所傳輸的信息量將是以前的1000倍。通常,要制造太赫茲范圍內的電磁波可以說難比登天。畢竟,傳...
『石墨烯 應用』石墨烯技術在手機中的應用
天線和通信石墨烯可用于將光數據通信提高到前所未有的速率,同時減少能耗和傳輸誤差。到2020年,Graphene的旗艦目標數據鏈接超過每秒400千兆字節。石墨烯也可能是軟而近的無線通信(NFC)天線的基礎,為電子鈔票或智能...